 | | 產品名稱:FZ型單出軸磁粉制動器產品簡介:FZ型單出軸、止口支撐、自然冷卻磁粉制動器 額定扭矩3~200N.m,額定電壓DC24V,冷卻方式為自然冷卻,最高轉速為1500,FZ200最高轉速為1000 | 咨詢熱線:0513-88924598   | | |
|
產品詳情: |
|
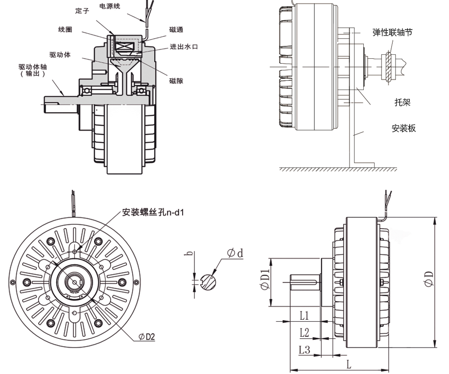
FZ型單出軸磁粉離合器為自動冷卻的散熱方式,采用進口磁粉,提高其使用壽命以及工作性能,常規扭矩有3~200N.m,常匹配全自動張力控制器以及張力傳感器使用在放卷的張力控制、連續滑動、緩存啟動以及模擬測試等多種用途。應用涉及領域有造紙、印刷、紡織、包裝、電線電纜、鋰電、覆膜等,此款產品5r/min可使用,如果用戶使用的環境溫度過高,也可添加軸流風機,提高散熱性能。

|
規定
型號
|
FZ
3
|
FZ
6
|
FZ
12
|
FZ
25
|
FZ
50
|
FZ
100
|
FZ
200
|
|
額定轉矩 N.m
|
3
|
6
|
12
|
25
|
50
|
100
|
200
|
|
滑差功率 W
|
30
|
60
|
100
|
140
|
200
|
350
|
520
|
|
最大電流 A
|
0.46
|
0.53
|
0.81
|
0.94
|
1.24
|
2.15
|
2.40
|
|
最高轉速 rpm
|
1500
|
1500
|
1500
|
1500
|
1500
|
1500
|
1000
|
|
外
形
尺
寸
|
D
|
100
|
126
|
152
|
175
|
210
|
258
|
298
|
|
L
|
88
|
108
|
125
|
105
|
175
|
220
|
230
|
|
軸
聯
接
尺
寸
|
d(h7)
|
10
|
12
|
14
|
20
|
25
|
30
|
35
|
|
b(p7)
|
3
|
4
|
5
|
6
|
8
|
8
|
10
|
|
L1
|
20
|
25
|
25
|
36
|
42
|
58
|
58
|
|
L2
|
1
|
1
|
4
|
1
|
1
|
1
|
1
|
|
止
口
支
撐
尺
寸
|
L3
|
3
|
3
|
3
|
3
|
4
|
5
|
5
|
|
D1(g7)
|
42
|
42
|
42
|
55
|
74
|
100
|
110
|
|
D2
|
64
|
64
|
64
|
78
|
100
|
140
|
150
|
|
n-d1
深度
|
6-
M5x10
|
6-
M5x10
|
6-
M5x10
|
6-
M5x12
|
6-
M5x12
|
6-
M10x16
|
6-
M10x18
|
注:FZ型磁粉制動器冷卻方式為自然冷卻
|
| 【刷新頁面】【加入收藏】【打印此文】 【關閉窗口】 |
| 上一篇:ZA-S型單出軸磁粉制動器 下一篇:ZX型單出軸磁粉制動器 |